navigationGo.pngQuick Navigation
allprojects32.pngAll projects
hardware32.pngHardware
links32.pngLinks

favoriteStar32.pngTop projects
Alan numitron clock
Clapclap 2313/1386
SNES Pi Webserver
USB Volume/USB toys
Smokey amp
Laser cutter
WordClock
ardReveil v3
SNES Arcade cabinet
Game boy projects
cameleon
Home Presence Detector

github32.pngGitHub
AlanFromJapan

navigationMail.pngContact me

alanfjmail.png
3flags.pngWho's Alan?


Akizukidenshi
Elec-lab
Rand Nerd Tut
EEVblog
SpritesMods
AvrFreaks
Gameboy Dev
FLOZz' blog
Switch-science
Sparkfun
Suzusho
Datasheet Lib
Reddit Elec
Ermicro
Carnet du maker (fr)

Arduino and a TV

Last update: Tue Feb 17 20:52:01 2026
kalshagar - Arduino and a TV

Why bother in fact ?

Just discovered this library, why bother in the end ... It has the nice touch to work with NTSC AND PAL (I need NTSC, I'm in Japan)

The DIY way - NTSC

The right stuff


Note about the circuit to use (on an Arduino 2009):
  • Pins A0-A3 : the data over 4 bit -> 2^4 = 16 shades of gray possible
  • Pin 9 : PWM used for the carrier for VSync

Another link :

Looks nice but doesn't work


Misc information

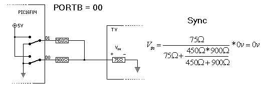
vinfo_da00.png
Image taken from http://www.eyetap.org/ece385/vinfo_da00.png
These are the ideal values, however according some people on the net, 470 Ohm and 1 kOhm are ok.
sync-wf.gif
http://www.ntsc-tv.com/images/tv/sync-wf.gif

PAL

Just buy it

All content on this site is shared under the MIT licence (do what u want, don't sue me, hat tip appreciated)
electrogeek.tokyo ~ Formerly known as Kalshagar.wikispaces.com and electrogeek.cc (AlanFromJapan [2009 - 2026])