Quick Navigation
All projects
Hardware
Links
Top projects
Alan numitron clock
Clapclap 2313
/
1386
SNES Pi Webserver
USB Volume
/
USB toys
Smokey amp
Laser cutter
WordClock
ardReveil v3
SNES Arcade cabinet
Game boy projects
cameleon
Home Presence Detector
GitHub
AlanFromJapan
Contact me
Who's Alan?
Akizukidenshi
Elec-lab
Rand Nerd Tut
EEVblog
SpritesMods
AvrFreaks
Gameboy Dev
FLOZz' blog
Switch-science
Sparkfun
Suzusho
Datasheet Lib
Reddit Elec
Ermicro
Carnet du maker (fr)
Gameboy screen
Last update: Tue Feb 17 20:52:02 2026
kalshagar - Gameboy screen
See my other
Gameboy related pages
Links
Pinout
http://www.overclockers.com/forums/showthread.php?t=116959
Pinout original site
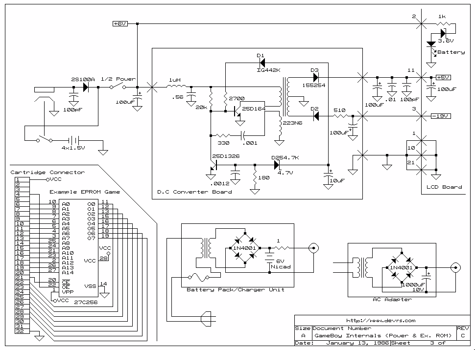
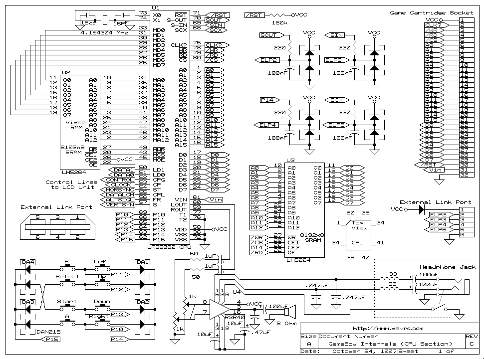
http://www.devrs.com/gb/
Sample GB 2 VGA
http://www.bradsprojects.com/gameboy-to-vga-converter-in-progress/
Another usage of the screen
http://flashingleds.wordpress.com/2010/10/26/intercepting-the-gameboy-lcd/
Misc customization
http://blog.gg8.se/wordpress/category/gameboy/
Cartridge Eagle
https://github.com/dwaq/Homebrew-Gameboy-Cartridge
Other documentation with interresting diagrams
http://marc.rawer.de/Gameboy/docu_1.htm#1.1
lines
160 px
pixels per line
144 px
freq
60 Hz
lines per sec
9,600 lines/sec
pixels per sec
1,382,400 px/sec
image size
23,040 px
one pixel info
2 bits
one image size in mem
5,760 bytes
All content on this site is shared under the
MIT licence
(do what u want, don't sue me, hat tip appreciated)
electrogeek.tokyo
~ Formerly known as Kalshagar.wikispaces.com and electrogeek.cc (AlanFromJapan [2009 - 2026])